跳到主要內容

萬山岩雕商標

Menu

圖像展示

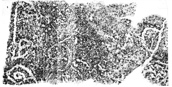
TKM4大軋拉烏
477
國定萬山岩雕群考古遺址在歷年的探勘與巡查工作中,已進行多次的拓片工作,這些拓印活動主要集中在1984~2012年間,目前由高雄市政府文化局保留的拓片資料中,因孤巴察峨地點岩體表面大抵呈平面塊狀,因此岩雕刻紋數量最多、分布範圍最大,曾進行拓印的次數也最多,援引高業榮針對圖像的分區以A~G等七個編號分區(高業榮 1991:122),含合併與重複之拓片,總計保留18件;祖布里里地點則僅進行其中TKM2-1岩雕的拓印,總計保留4件拓片;莎娜奇勒娥地點則保留有4件拓片;至於大軋拉烏地點則僅進行其中TKM4-1、TKM4-5、TKM4-7的拓印工作,總計保留8件拓片資料,另有拓片資料仍散落於當時執行委託計畫或進行拓片工作的公私立大學、博物館、萬山社區發展協會、甚至私人手中,保存狀況則不詳。

TKM4大軋拉烏是萬山岩雕群中數量最多且最密集的區域,圖像看來有許多是未完成的,多是抽象答號和無意識的圖式,以同心圓或類似蛇紋為主。
回頂部